製品イメージ

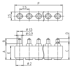
| 技術情報 | 該当技術なし | A | 6.2 |
|---|---|---|---|
| B | 2 | C | 6.9 |
| D | 1.3 | E | 5 |
| F | 15.1 | 嵌合長 | 6.9 mm |
| 使用高さ範囲(参考) | 6.3mm~7.2mm | プラグ/レセプタクル(オス側/メス側) | Male |
| 列 | Single | ボス | 無 |
| 極数 | 6 | ピッチ | 2.5 mm |
| バネ圧 | 0.3N | 電流値 | 0.5 A |
| 電圧値 | AC/DC 12V | 接触抵抗値 | 200mΩ |
| 使用雰囲気温度 | -40℃~+85℃ | ストローク耐久性 | 20,000cycles |
| 実装方式 | 表面実装_垂直嵌合タイプ | 相手側対応品 | J-4000H-6-25-0000 |
| 吸着キャップ | W | 梱包形態 | Tape&Reel |
| 梱包数量 | 500pcs |
Note
形状は現段階での参考例であり、予告なく変更を実施する可能性がございます。
仕様接点高さの範囲(参考)




