製品イメージ

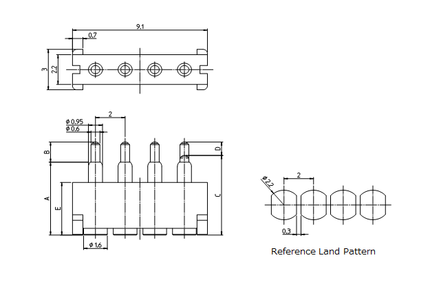
| 技術情報 | 該当技術なし | A | 5.4 |
|---|---|---|---|
| B | 1.5 | C | 5.9 |
| D | 1 | E | 3.9 |
| 嵌合長 | 5.9 mm | 使用高さ範囲(参考) | 5.5~6.15 mm |
| プラグ/レセプタクル(オス側/メス側) | Male | ボス | 無 |
| 極数 | 4 | ピッチ | 2.0 mm |
| バネ圧 | 1.0 N | 電流値 | 1 A |
| 電圧値 | AC/DC 12V | 接触抵抗値 | 50mΩ |
| 使用雰囲気温度 | -40℃~+85℃ | ストローク耐久性 | 20,000 times |
| 実装方式 | 表面実装_垂直嵌合タイプ | 吸着キャップ | 有 |
| 梱包形態 | テープ&リール | 梱包数量 | 500pcs |
Note
仕様接点高さの範囲(参考)

