※產品示意圖。

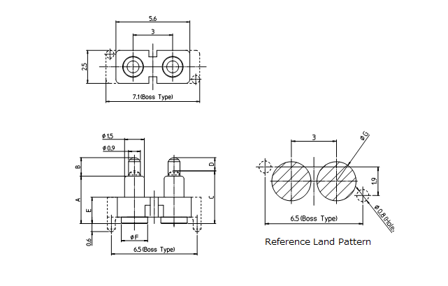
| 性能 | 無 | A | 5.5 |
|---|---|---|---|
| B | 1.7 | C | 6.1 |
| D | 1.1 | E | 4 |
| F | 2 | G | 2.6 |
| 工作高度 | 6.1 mm | 工作範圍(參考) | 5.6〜6.35 mm |
| 鍘刀頭/插座 | Male | 排 | Single |
| 有無定位柱 | W/O | 針腳數量 | 2 |
| 針腳間距 | 3.0 mm | 簧壓 | 1.08 N |
| 定額電流 | 2 A | 定額電壓 | AC/DC 12V |
| 接觸阻抗 | 50mΩ | 環境溫度 | -40℃〜+85℃ |
| 循環耐久性 | 20,000 times | 組裝焊接方法 | SMD_垂直式 |
| CAP | W | 包裝種類 | Tape&Reel |
| 包裝數量 | 500pcs |
注意事項
Working Range(Reference)

